2    电子线路元器件
- 2.1 导体、绝缘体和半导体
- 2.2 本征半导体
- 2.3 杂质半导体
- 2.4 PN结的形成
- 2.5 PN结的单向导电性
- 2.6 PN结的电容特性
- 2.7 半导体二极管及其参数
- 2.8 二极管的电路模型
- 2.9 二极管应用电路分析(限幅电路)
- 2.10 二极管应用电路分析(钳位电路)
- 2.11 特殊二极管
- 2.12 三极管的结构
- 2.13 三极管的工作原理
- 2.14 三极管的特性曲线
- 2.15 三极管的主要参数
- 2.16 三极管的h参数小信号模型
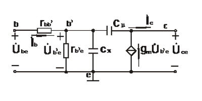
- 2.17 三极管的混合π型小信号模型
- 2.18 结型场效应管
- 2.19 MOS场效应管
- 2.20 场效应管的主要参数
- 2.21 场效应管的小信号模型
- 2.22 场效应管与晶体三极管的比较
- 2.23 集成电路工艺简介
- 2.24 集成化元器件的特点
- 2.25 分析实例
3    放大器基础
- 3.1 放大器的基本概念
- 3.2 放大器的主要技术指标
- 3.3 共射放大器图解分析法(一)
- 3.4 共射放大器图解分析法(二)
- 3.5 共射放大器等效电路分析法
- 3.7 共基放大器
- 3.8 共集放大器
- 3.9 三极管放大器三种组态的比较
- 3.10 场效应管放大器偏置电路与直流分析
- 3.11 场效应管共源放大器交流分析
- 3.12 场效应管放大器三种组态的比较
- 3.13 级间耦合方式
- 3.14 多级放大器的分析
- 3.15 放大器分析实例(一)
- 3.16 放大器分析实例(二)
4    放大器的频率响应
- 4.1 研究放大器频率响应的必要性
- 4.2 波特图及简单RC电路的频率响应
- 4.3 共射基本放大器全频段微变等效电路
- 4.4 三极管的频率参数
- 4.5 共射基本放大器频率响应分析(一)
- 4.6 共射基本放大器频率响应分析(二)
- 4.7 共射基本放大器频率响应分析(三)
- 4.8 共射基本放大器频率响应分析实例
- 4.9 共集放大器的高频响应
- 4.10 共基放大器的高频响应
- 4.11 组合电路宽带放大器
- 4.12 多级放大器的频率特性(一)
- 4.13 多级放大器的频率特性(二)
- 4.14 频率响应与阶跃响应的关系
- 4.15 放大器频率特性分析
5    集成运算放大器与模拟乘法器
- 5.1 镜像电流源
- 5.2 微恒电流源
- 5.3 比例电流源
- 5.4 多路电流源
- 5.5 MOS管电流源
- 5.7 差模信号和共模信号的概念
- 5.8 双极型三极管差分放大电路性能分析
- 5.9 场效应管差分放大电路
- 5.10 差分放大电路的传输特性
- 5.11 集成运算放大器的基本组成
- 5.12 典型集成运算放大器电路分析
- 5.13 JFET输入的集成运算放大器
- 5.14 CMOS集成运算放大器
- 5.15 集成运算放大器的主要技术参数
- 5.16 模拟乘法器原理
- 5.17 差分放大器分析实例(一)
- 5.18 差分放大器分析实例(二)
6    模拟信号运算与处理电路
- 6.1 理想集成运算放大器
- 6.2 比例运算电路
- 6.3 求和运算电路
- 6.4 积分和微分运算电路
- 6.5 对数和反对数运算电路
- 6.6 模拟乘法器的应用电路(一)
- 6.7 模拟乘法器的应用电路(二)
- 6.8 非理想集成运放运算电路的误差分析
- 6.9 滤波电路的作用与分类
- 6.10 一阶有源滤波器
- 6.11 二阶有源滤波器
- 6.12 状态变量滤波器
- 6.13 开关电容滤波器
- 6.14 单门限比较器
- 6.15 迟滞比较器
- 6.16 窗口比较器
- 6.17 集成电压比较器
- 6.18 运算电路实例分析
- 6.19 滤波器电路实例分析
- 6.20 比较器电路实例分析
7    反馈放大器
- 7.1 反馈的基本概念
- 7.2 反馈的分类与判断
- 7.3 四种交流负反馈组态判断与建模
- 7.4 四种交流负反馈组态的A、F之比较
- 7.5 交流反馈的极性和组态的判断实例
- 7.7 负反馈对放大电路性能的改善
- 7.8 负反馈对输入电阻的影响
- 7.9 负反馈对输出电阻的影响
- 7.10 负反馈的正确引入原则
- 7.11 负反馈放大电路的三种分析计算方法
- 7.14 深度负反馈放大电路分析计算实例(一)
- 7.15 深度负反馈放大电路分析计算实例(二)
- 7.17 常用的频率补偿方法——电容补偿
- 7.18 常用的频率补偿方法——RC补偿和密勒补偿
- 7.19 负反馈放大电路的稳定性分析实例
8    逻辑门电路
- 8.2 CMOS反相器
- 8.3 CMOS与非门、或非门
- 8.4 CMOS传输门
- 8.5 CMOS三态输出门、漏极开路门
- 8.7 CMOS门电路的技术参数
- 8.8 三极管的开关特性
- 8.9 TTL与非门
- 8.10 TTL 与非门的特性
- 8.11 其它类型TTL门电路
- 8.12 TTL异或门
- 8.13 各种系列TTL逻辑门电路
- 8.14 TTL电路系列
- 8.15 TTL门电路与CMOS门电路接口
9    功率电路
- 9.1 功率放大电路的特点
- 9.2 低频功率放大电路的三种工作方式
- 9.3 甲类功率放大电路实例分析
- 9.4 功率BJT简介——散热和安全工作
- 9.5 乙类互补推挽放大电路
- 9.6 甲乙类互补推挽电路
- 9.7 单电源互补推挽电路
- 9.8 采用复合管的功率输出级
- 9.9 集成功率放大器
- 9.10 功率放大器例题分析
- 9.11 线性直流稳压电源的组成
- 9.12 整流电路
- 9.13 滤波电路
- 9.14 串联型线性直流稳压电路
- 9.15 线性直流稳压电源例题分析(一)
- 9.16 高精度基准电源
- 9.17 三端集成直流稳压器原理
- 9.18 三端集成直流稳压器典型应用电路
- 9.19 线性直流稳压电源例题分析(二)
- 9.20 开关型直流稳压电源的特点与分类
- 9.21 串联开关型直流稳压电路
10    波形产生电路
- 10.1 正弦波振荡电路的基本工作原理
- 10.2 文氏电桥振荡器
- 10.3 双T正弦波振荡电路
- 10.4 RC移相式正弦波振荡电路
- 10.5 LC并联谐振回路的特性
- 10.6 变压器反馈式振荡电路
- 10.7 电感反馈式(电感三点式)振荡电路
- 10.8 电容反馈式(电容三点式)振荡电路
- 10.9 三点式振荡电路的组成法则
- 10.10 电容反馈式改进型振荡电路(克拉泼振荡器)
- 10.11 石英晶体振荡器
- 10.12 由迟滞电压比较器构成的矩形波发生器
- 10.13 由TTL门电路构成的环形多谐振荡器
- 10.14 由CMOS门电路构成的多谐振荡器
- 10.15 晶体多谐振荡器
- 10.16 由555构成的多谐振荡器
- 10.17 三角波信号发生器
- 10.18 锯齿波信号发生器
- 10.19 一种压控振荡器的原理
- 10.20 一种压控振荡器的实现电路
- 10.21 5G8038集成多功能信号发生器
11    数/模和模/数转换电路
- 11.1 数/模和模/数转换电路的概念和作用
- 11.2 权电路网络D/A转换器
- 11.3 倒T形电阻网络D/A转换器
- 11.4 开关树形D/A转换器
- 11.5 D/A转换器的主要技术指标
- 11.6 集成DAC及其应用
- 11.7 模/数转换器的基本原理
- 11.8 并联比较型A/D转换器
- 11.9 反馈比较型A/D转换器
- 11.10 双积分型A/D转换器
- 11.11 signma-delta型A/D转换器
- 11.12 A/D转换器的主要技术指标
- 11.13 集成ADC及其应用
12    模拟电子系统设计
- 12.1 系统、电子系统的定义
- 12.2 电子系统的基本类型
- 12.3 典型的电子系统结构
- 12.4 电子系统的设计方法
- 12.5 电子系统设计的一般步骤
- 12.6 各种电子系统设计步骤
- 12.7 设计示例
13    总复习
- 13.1 总复习——电子线路元器件
- 13.2 总复习——放大器基础
- 13.3 总复习——集成运算放大器与模拟乘法器
- 13.4 总复习——模拟信号运算与处理电路总复习
- 13.5 总复习——放大器的频率响应
- 13.6 总复习——反馈放大器及其稳定性
- 13.7 总复习——信号产生与变换电路
- 13.8 总复习——功率放大器与直流稳压电源

















