工程图学

杨永明

目录

  • 1 课程概况
    • 1.1 课程基本资料
    • 1.2 河北省优秀教学团队
    • 1.3 河北省及全国大学生先进成图技术大赛获奖
    • 1.4 绪论
  • 2 制图基本知识
    • 2.1 技术制图国家标准
    • 2.2 平面图形画法
  • 3 正投影法基础
    • 3.1 投影法和视图
    • 3.2 点、直线的投影
    • 3.3 平面的投影
  • 4 基本立体的三视图
    • 4.1 平面立体的投影分析
    • 4.2 回转体的投影分析
  • 5 立体表面交线
    • 5.1 截交线的投影
    • 5.2 相贯线的投影
  • 6 组合体的视图与形体构思
    • 6.1 组合体表面间的相对位置关系
    • 6.2 组合体的视图画法
    • 6.3 组合体读图-形体分析法
    • 6.4 组合体读图-线面分析法
    • 6.5 组合体尺寸标注
    • 6.6 构型设计
  • 7 图样基本表示法
    • 7.1 视图
    • 7.2 剖视图画法
    • 7.3 断面图画法
    • 7.4 常用简化画法
  • 8 标准件与常用件
    • 8.1 螺纹结构的画法及标注
    • 8.2 螺纹紧固件画法
    • 8.3 键联结、销联接、滚动轴承画法
    • 8.4 齿轮画法
    • 8.5 蜗轮、蜗杆画法
    • 8.6 圆柱压缩弹簧画法
  • 9 零件图
    • 9.1 零件图的表达方案选择
    • 9.2 零件图上的技术要求
    • 9.3 读轴零件图
    • 9.4 读盘类零件图
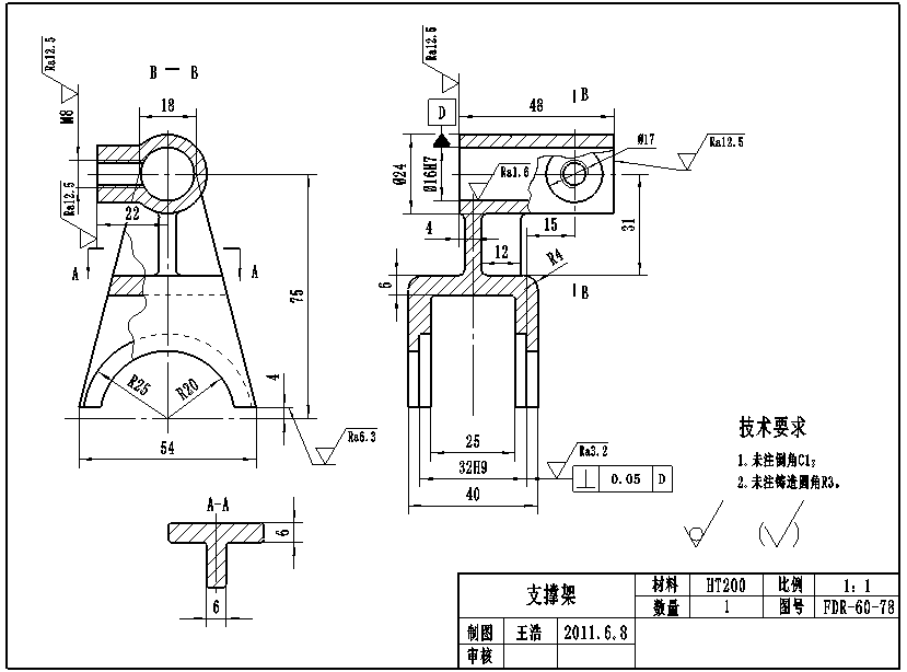
    • 9.5 读支架类零件图
    • 9.6 读箱体类零件图
  • 10 装配图
    • 10.1 读装配图
    • 10.2 拆画零件图
    • 10.3 装配图画法
  • 11 计算机绘图基础
    • 11.1 AutoCAD基本操作
    • 11.2 平面图形画法
    • 11.3 尺寸标注与编辑
    • 11.4 准确作图工具的使用
    • 11.5 零件图绘制
    • 11.6 装配图绘制
    • 11.7 三维造型
  • 12 实践教学
    • 12.1 基本作图方法
    • 12.2 零件测绘
    • 12.3 部件测绘
读支架类零件图



答题注意:若一个空有多个答案时,答案之间用英文状态分号相隔!