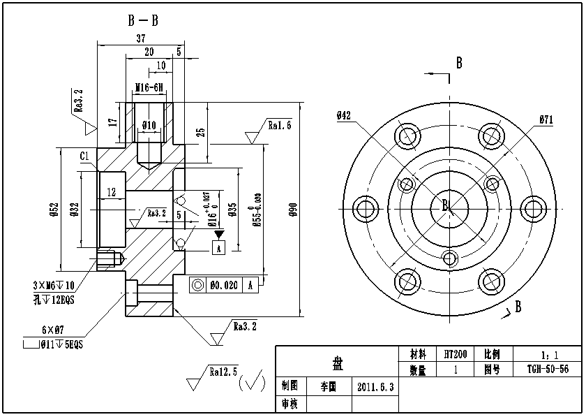
读盘类零件图
上一节
下一节
本讲讲解了读盘类零件图的基本方法
本讲讲解了零件图上常用的螺纹孔、沉孔、光孔的三种尺寸注法

答题注意:若一个空有多个答案时,答案之间用英文状态分号相隔!
目录
本讲讲解了读盘类零件图的基本方法
本讲讲解了零件图上常用的螺纹孔、沉孔、光孔的三种尺寸注法

答题注意:若一个空有多个答案时,答案之间用英文状态分号相隔!